欢迎来到北京超品科技有限公司官网!
联系我们
关于我们
ULVAC爱发科指定代理商
真空系统解决方案服务商
咨询服务热线
400-151-0490
网站首页
关于超品
公司简介
产品中心
氦质谱检漏仪/气体分析仪
ULVAC隔膜泵/活塞泵/螺杆泵
ULVAC涡旋泵/罗茨泵/油回转泵
ULVAC分子泵/油扩散泵
ULVAC真空相关产品
SUPER Q 真空设备
产品视频展示
真空配件
真空配件
真空阀门
真空腔体定制
真空配件视频展示
真空阀门视频展示
应用行业
应用行业
常见问题
货期和质保
合同与发票
真空知识我知道
联系我们
网上商城
产品目录
product
氦质谱检漏仪/气体分析仪
ULVAC隔膜泵/活塞泵/螺杆泵
ULVAC涡旋泵/罗茨泵/油回转泵
ULVAC分子泵/油扩散泵
ULVAC真空相关产品
SUPER Q 真空设备
产品视频展示
免费咨询热线
张经理 15910630581
王经理 17325549372
ULVAC真空相关产品
product center
您当前的位置:
首页
> 产品中心 > ULVAC真空相关产品
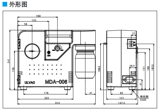
超小型无水吸引器 MDA-006
电话
首页
二维码
咨询热线:
400-151-0490
咨询电话:
15910630581
微信号:
15910630581